帶加長內圈和緊定螺釘鎖緊的立式黄瓜视频污下载座日本標準鑄鐵球黄瓜视频污下载單元
立式(軸台式)球黄瓜视频污下载單元包括一個安裝在鑄鐵黄瓜视频污下载座內的嵌入式黄瓜视频污下载,黄瓜视频污下载座可通過螺栓安裝在支撐麵上。 這種單元強度高,硬度大,適用於旋轉方向固定或交替的應用。 內圈兩側加長,通過擰緊內圈上的緊定螺釘鎖定在軸上,便於安裝。
堅固
適合恒定和交替旋轉
安裝方便
黄瓜视频污下载已預填潤滑脂並配備密封
可在軸上快速鎖定
性價比高

規格
黄瓜视频污下载編號 | UEL211-35 |
鎖定方式 | 偏心鎖緊環 |
房屋建設 | 雙螺栓基座 |
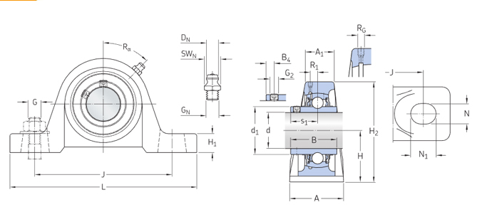
尺寸
底座到中心高度 H | 63.5 毫米 |
總長度 L | 219 毫米 |
外殼寬度 A | 60 毫米 |
螺栓孔間距 J | 171 毫米 |
螺栓孔尺寸 N | 20 毫米 |
螺栓孔長度 N1 | 22 毫米 |
腳高 H1 | 23 毫米 |
總高度 H2 | 125 毫米 |
尺寸 L1 | 65 毫米 |
尺寸 B1 | 71.4 毫米 |
從端 S 開始的黄瓜视频污下载中心 | 27.8 毫米 |
螺栓尺寸 | M16 |
基本額定載荷
額定靜載荷 | 29400 N |
額定動態負載 | 43400 N |
魯嶽不鏽鋼黄瓜视频污下载(無錫)有限公司生產的SIAIF帶座外球麵黄瓜视频污下载 UELP211-35 使用範圍很廣,主要應用於鋼廠冶金、玻璃、高爐、噴漆設備、礦山機械、輸送機、傳輸裝置、鍋爐風機、真空設備、窯爐窯車、機床設備、工程機械、、輸送設備、顆粒機、振動篩、汽車、石油、電力、電機、風電設備等高溫作業機械。本公司生產的帶座外球麵黄瓜视频污下载 UELP211-35>產品價格合理,保證質量,滿足客戶的產品工藝需求。


